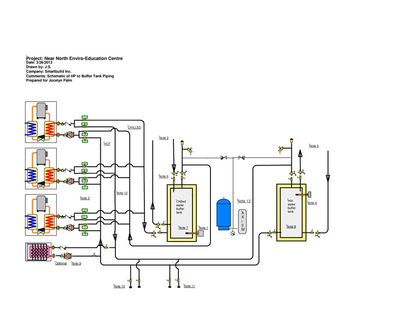
(B)-Drawing-#2,-HP-to-Buffer-tank

WP-Backgrounds Lite by InoPlugs Web Design and Juwelier Schönmann 1010 Wien